EDWIN ZHENG

i'm a student at the University of British Columbia pursuing a degree in Honours Computer Science and Mathematics. i am passionate about computer/firmware systems, controls systems (applied in vehicle dynamics), applied mathematics in numerical methods, and design. i design intelligent computer controlled systems to effectively navigate real world uncertainty.

looking for work after grad in May 2026.

resume

Rivian

System HIL, Infotainment Integration | Summer 2024, 2025

  • Designed and optimized software-based hardware test infrastructure, coordinating bench tools to create realistic test scenarios.
  • Optimized C++ based BLF logger (FDCAN/ETH/LIN), reduced dropped packets by 95%, improved logging rate by 30%
  • Improved UX for test case development by migrating all testing to full stack React/NextJS web app for test action editing.
  • Led foundational architectural overhaul of test tooling by redesigning core UDS API, enabling expression of complex behaviours.

Controls Research @ UBC EECE

Student Researcher | 2025-2026

  • Conducted controls research under the supervision of Professor Alberto Padoan
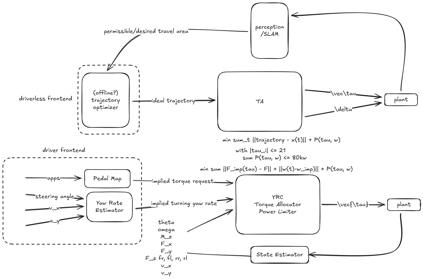
  • Developed a controls framework for a high performance formula-style car
  • Implemented controller with data-predictive controls
  • Developed vehicle models to drive MPC/DPC framework

UBC Formula Electric

Software Director | 2022-2026

  • Led 22 Software Devs to 21st (2023), 31st (2024), 46th (2025), in FSAE Michigan, passed all inspections/events first time in school history.
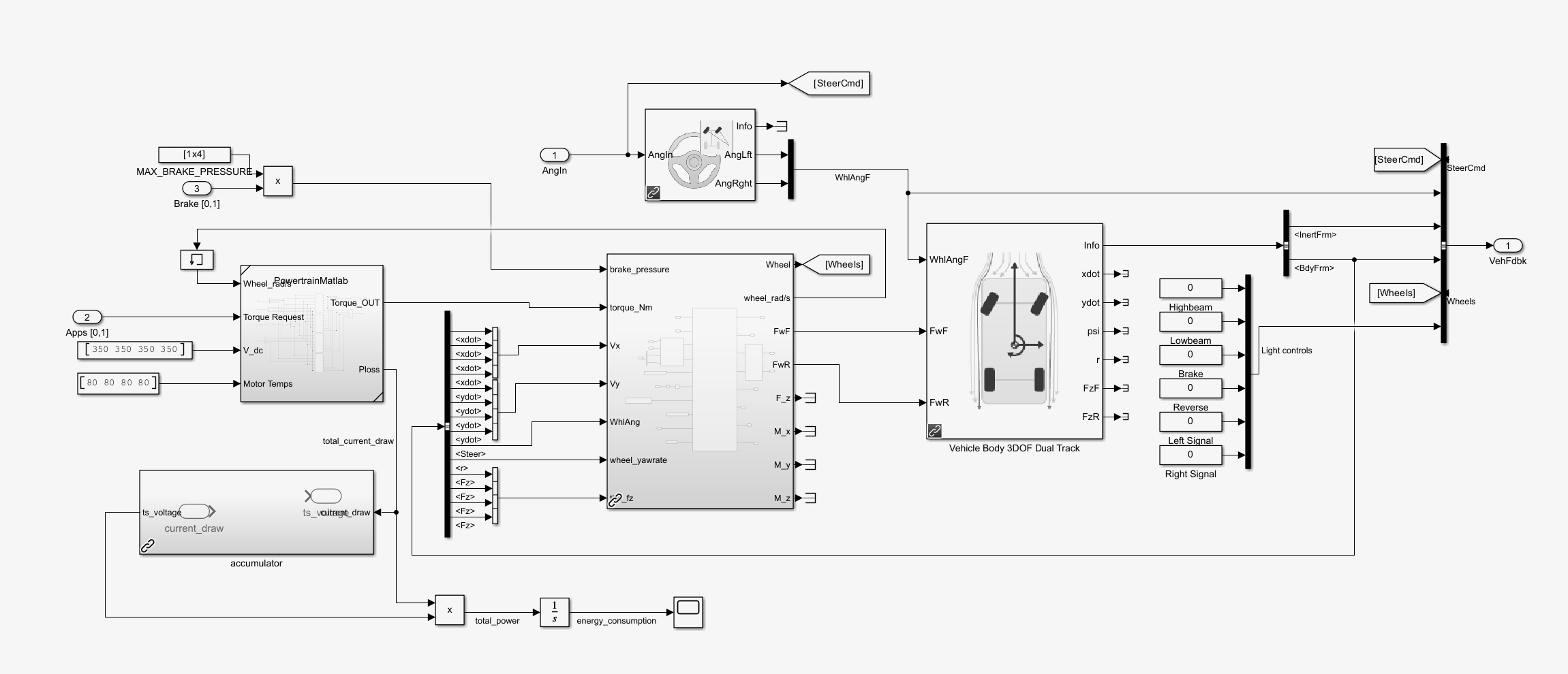
  • Founded of autonomous driving division, designing visual feature detection, SLAM, vehicle controls algorithms.
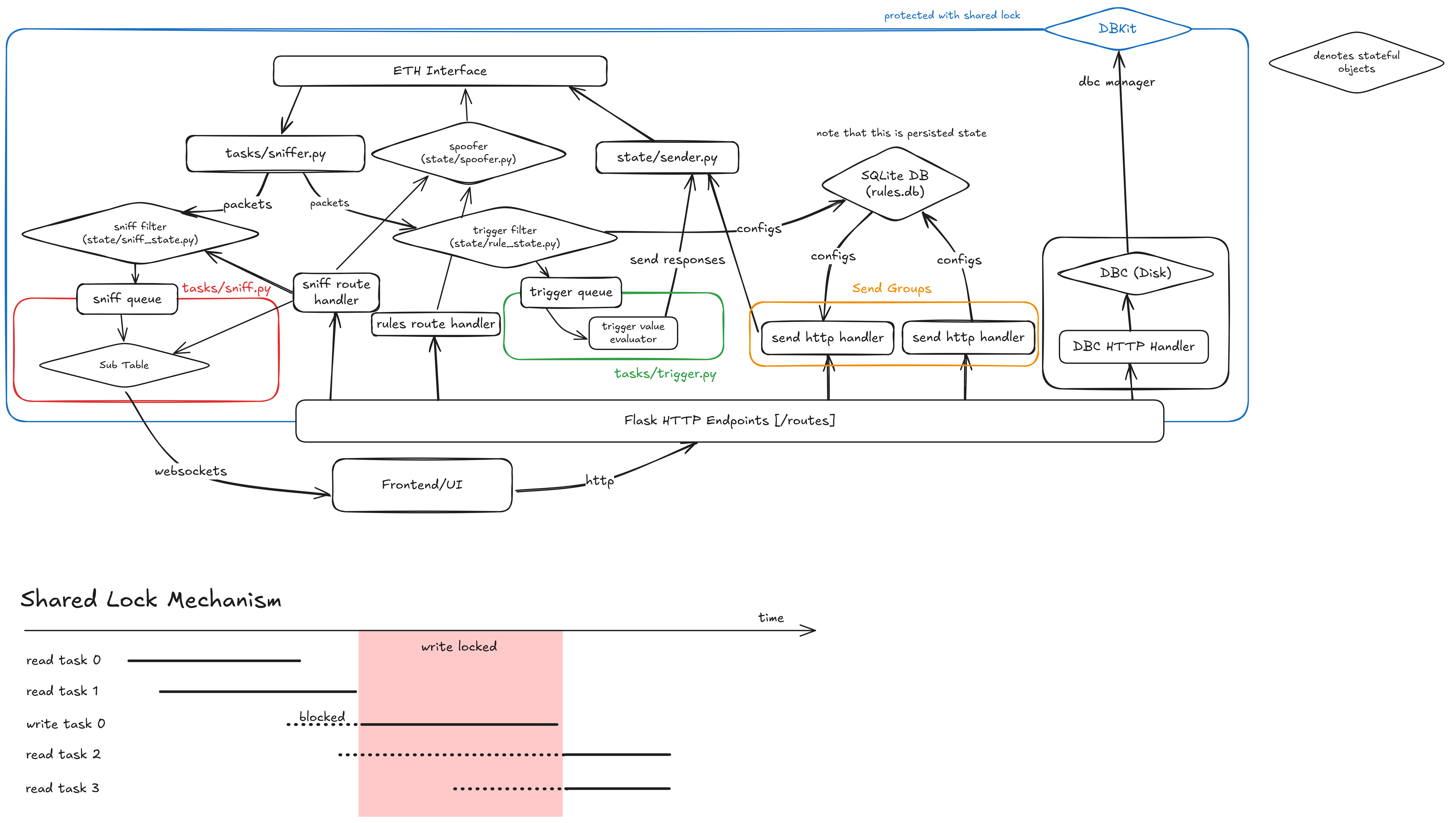
  • Designed telemetry system, hosted on AWS, on Influx SQL database on Docker, NextJS Frontend, with WebSocket/REST APIs.
  • Implemented and enforced C/C++ code style, eliminating all memory bugs at compile time, improved mock interface.
  • Established validation team, no-car/HIL validation strategy with GitHub Actions + code review, reduced prod bug reports -30%.
  • Led the development of dashboard software in Flutter on custom embedded Linux distro in Yocto, including async dart-ffi CAN.
  • Developed All-Platform CMake build system/package manager, reduced generation/cross-compile times by 70%.
  • Implemented sensor processing in C for 9 sensors, 3 communication protocols (ADC, I2C, SPI), broadcasting over CAN bus.

UBC Competitive Programming Team

Division 1 Competitor | 2022-2026

  • Member of UBC Division 1 Team ('23, '24), competing in weekly contests, International Collegiate Programming Contest (ICPC)
  • 2nd place in Division 2 at ICPC Pacific Northwest (2022), completed contest using Python and C++.
  • Achieved top 10% in Canadian Computing Competition Senior Division from Grade 10-12.
  • Developed and optimized complex data structures and algorithms based on mathematical principles

JHY Electrical

Principal Fullstack Developer | 2020-2022

  • Established web presence for local (Ottawa) electronics business, enabling online catalogue/orders, deployed on Vercel.
  • Designed UX, implemented UI built with NextJS/React app in Typescript, styling with TailwindCSS, ShadCN components.
  • Developed CRUD backend API interfacing with PostgreSQL database, PayPal Orders/Stripe Payment Intents Server-Side API.
  • Ensured confidence in functionality through tests implemented across the entire stack with Jest and Playwright.

notable projects

blog